Product Summary
The 6MBP20RTA060 is an IGBT-IPM of Fuji Electric.
Parametrics
6MBP20RTA060 absolute maximum ratings: (1) Bus voltage (Between terminal P and N) , DC, VDC: 0 to 450V, Surge, VDC: 0 to 500V, VSC: 200 to 400V (short operatings) ; (2) Collector-Emitter Voltage, Vces: 0 to 600V; (3) Collector, DC, Ic: 20A, Icp: 40A ( 1ms) , - IC: 20A (Duty=89%) : 20A, One transistor, PC: 103W; (4) Inpit Signal Current, Iin: 1mA; (5) Alarm Signal Current, IALM: 20mA; (6) Junction Temperature Tj: 150°C; (6) Operating Case Temperature Topr: -20 to 100°C; (7) Storage Temperature Tstg: -40 to 125°C; (8) Solder Temperature, Tsol: 260°C; (9) Isolating Voltage (Terminal to base, 50/60Hz sine wave 1 min) Viso: AC250.
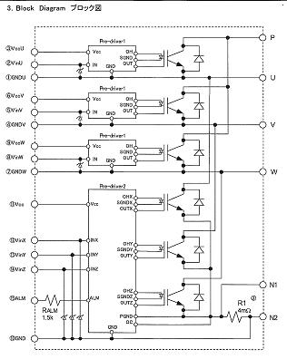
Diagrams

 (Hong Kong)
 (Hong Kong) 
                         
                        
 
                                    





