Product Summary
The SKKT92 16E is a Thyristor/Diode Module. The applications of the SKKT92 16E are DC motor Control(e.g.for machine tools), AC motor soft starters, Temperture control(e.g.for ovens, chemical processes), Professional light dimming(studios, theaters).
Parametrics
SKKT92 16E absolute maximum ratings: (1)VRRM: 1600V; (2)VRSM: 1700V; (3)ITAV(sin. 180; Tc=85(100)℃): 95(68)A; (4)IRMS(P3/180F; Ta=35℃;W1/W3): 190/3×135A; (5)ITSM(Tvj=25℃;10 ms): 2000A; (6)i2t(Tvj=25℃;8,3...10 ms): 20000A2s; (7)rT(Tvj=125℃): 2mΩ; (8)tgd(Tvj=25℃;IG=1A;dIG/dt=1A/μs): 1μs; (9)Tvj: -40℃ to +125℃; (10)Tstg: -40℃ to +125℃.
Features
SKKT92 16E features: (1)Heat transfer through aluminium oxide ceramic isolated metal baseplate; (2)Hard sodered jounts for high reliability; (3)UL recognized, file no.E 63 532.
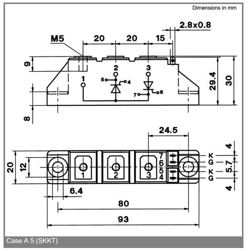
Diagrams

(Hong Kong)






