Product Summary
SKKD46 12 is a Rectifier Diode Module. The applications of the SKKD46 12 are Non-controllable rectifiers for AC/AC converters, Line rectifiers for transistorized AC motor controllers, Field supply for DC motors.
Parametrics
SKKD46 12 absolute maximum ratings: (1) IFAV (sin.180; Tc=85(100))℃: 47(33)A; (2)ID (P3/120; Ta=45℃; B2/B6): 50/60A; (3)IFSM(Tvj=25℃; 10ms): 700A; (4) i2t(Tvj=25℃;8,3...10 ms): 2450A2s; (5) rT(Tvj=125℃): max. 5mΩ; (6)Tvj: -40℃ to +125℃; (7) Tstg: -40℃ to +125℃.
Features
SKKD46 12 features: (1)Heat transfer through aluminium oxide ceramic isolated metal baseplate; (2)Hard soldered joints for high reliability; (3)UL recognized, file no. E63 532.
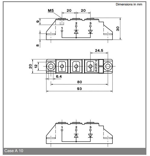
Diagrams

(Hong Kong)






