Product Summary
The SKKD100 16 is a Rectifier Diode Module. The applications of the SKKD100 16 are Non-controllable rectifiers for AC/AC converters, Line rectifiers for transistorized AC motor controllers, Field supply for DC motors.
Parametrics
SKKD100 16 absolute maximum ratings: (1) IFAV (sin.180; Tc=85(100))℃: 1007(67)A; (2)ID (P3/180; Ta=45℃; B2/B6): 73/91A; (3)IFSM(Tvj=25℃; 10ms): 2500A; (4) i2t(Tvj=25℃;8,3...10 ms): 31250A2s; (5) rT(Tvj=125℃): max. 1.3mΩ; (6)Tvj: -40℃ to +125℃; (7) Tstg: -40℃ to +125℃.
Features
SKKD100 16 features: (1)Heat transfer through aluminium oxide ceramic isolated metal baseplate; (2)Hard soldered joints for high reliability; (3)SKKD half bridge connectiin center-tap connections, (4)UL recognized, file no. E63 532.
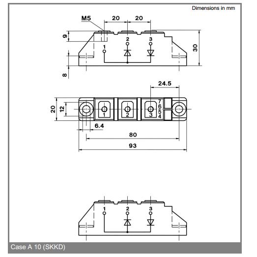
Diagrams

 (Hong Kong) 
                         
                        
                                    




