Product Summary
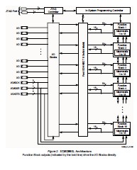
The XC95288XL-10FGG256I is a high performance CPLD targeted for high-performance, low-voltage applications in leading-edge communications and computing systems. The XC95288XL-10FGG256I is comprised of 16 54V18 Function Blocks, providing 6,400 usable gates with propagation delays of 6 ns. See Figure 2 for architecture overview.
Parametrics
XC95288XL-10FGG256I absolute maximum ratings: (1) VCC Supply voltage relative to GND: -0.5 to 4.0 V; (2) VIN Input voltage relative to GND(1): -0.5 to 5.5 V; (3) VTS Voltage applied to 3-state output(1): -0.5 to 5.5 V; (4) TSTG Storage temperature (ambient): -65 to +150 ℃; (5) TSOL Maximum soldering temperature (10s @ 1/16 in. = 1.5 mm): +260 ℃; (6) TJ Junction temperature: +150 ℃.
Features
XC95288XL-10FGG256I features: (1) Fast concurrent programming; (2) Slew rate control on individual outputs; (3) Enhanced data security features; (4) Excellent quality and reliability: Endurance exceeding 10,000 program/erase cycles, 20 year data retention, ESD protection exceeding 2,000V; (5) Pin-compatible with 5V-core XC95288 device in the; (6)208-pin HQFP package.
Diagrams

| Image | Part No | Mfg | Description | ![]() |
Pricing (USD) |
Quantity | ||||||||||||||||
|---|---|---|---|---|---|---|---|---|---|---|---|---|---|---|---|---|---|---|---|---|---|---|
![]() |
![]() XC95288XL-10FGG256I |
![]() |
![]() IC CPLD 288MCELL 10NS 256-FBGA |
![]() Data Sheet |
![]()
|
|
||||||||||||||||
| Image | Part No | Mfg | Description | ![]() |
Pricing (USD) |
Quantity | ||||||||||||||||
![]() |
![]() XC9500 |
![]() Other |
![]() |
![]() Data Sheet |
![]() Negotiable |
|
||||||||||||||||
![]() |
![]() XC9500XV |
![]() Other |
![]() |
![]() Data Sheet |
![]() Negotiable |
|
||||||||||||||||
![]() |
![]() XC9501 |
![]() Other |
![]() |
![]() Data Sheet |
![]() Negotiable |
|
||||||||||||||||
![]() |
![]() XC9502 |
![]() Other |
![]() |
![]() Data Sheet |
![]() Negotiable |
|
||||||||||||||||
![]() |
![]() XC9503 |
![]() Other |
![]() |
![]() Data Sheet |
![]() Negotiable |
|
||||||||||||||||
![]() |
![]() XC9503B093AR-G |
![]() |
![]() IC REG BUCK ADJ 1A DL 10MSOP |
![]() Data Sheet |
![]()
|
|
||||||||||||||||
(Hong Kong)










