Product Summary
DM9161BIEP is a Industrial-grade physical layer, single-chip, and low power transceiver for 100BASE-TX and 10BASE-T operations. On the media side, the DM9161BIEP provides a direct interface either to Unshielded Twisted Pair Category 5 Cable (UTP5) for 100BASE-TX Fast Ethernet, or UTP5/UTP3 Cable for 10BASE-T Ethernet. The DM9161BIEP uses a low power and high performance advanced CMOS process.
Parametrics
DM9161BIEP absolute maximum ratings: (1) Supply Voltage, DVDD: -0.3V to 3.6V; (2) DC Input Voltage (VIN) , VIN: -0.5V to 5.5V; (3) DC Output Voltage (VOUT) VOUT: -0.3V to 3.6V; (4) Storage Temperature Rang (Tstg) Tstg: -65 to +150°C; (5) Lead Temp. (TL, Soldering, 10 sec.) LT: +260°C.
Features
DM9161BIEP features: (1) Fully comply with IEEE 802.3 / IEEE 802.3u 10Base-T/ 100Base-TX, ANSI X3T12 TP-PMD 1995 standard; (2) Support HP MDI/MDI-X auto crossover function (HP Auto-MDIX) ; (3) Support Auto-Negotiation function, compliant with IEEE 802.3u; (4) Fully integrated Physical layer transceiver On-chip filtering with direct interface to magnetic transformer; (5) Selectable repeater or node mode; (6) Selectable MII or RMII (Reduced MII) mode for 00Base-TX and 10Base-TX. Selectable MII or GPSI (7-Wired) mode for 10Base-T ; (7) Provide Loopback mode for easy system diagnostics; (8) LED status outputs indicate Link/ Activity, Speed10/100 and Full-duplex/Collision. Support Dual-LED optional control; (9) Single low power Supply of 3.3V with an advanced CMOS technology; (10) 48-pin LQFP 0.18um process.
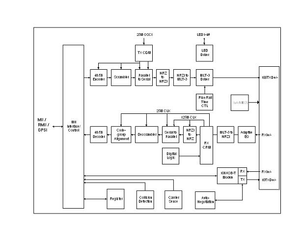
Diagrams

(Hong Kong)






