Product Summary
ATMEGA64A-A is a low-power CMOS 8-bit microcontroller based on the AVR enhanced RISC architecture. By executing powerful instructions in a single clock cycle, theATMEGA64A-A achieves throughputs approaching 1 MIPS per MHz allowing the system designer to optimize power consumption versus processing speed.
Parametrics
ATMEGA64A-A absolute maximum ratings: (1) Operating Temperature: -55 to +125°C; (2) Storage Temperature: -65°C to +150°C; (3) Voltage on any Pin except RESET with respect to Ground: -0.5V to Vcc +0.5V; (4) Voltage on RESET
with respect to Ground: -0.5V to +13V; (5) Maximum Operating Voltage: 6.0V; (6) DC Current per I/O Pin: 40.0mA; (7) DC Current Vcc and GND Pins: 200mA.
Features
ATMEGA64A-A features: (1) High Performance, Low Power AVR 8-Bit Microcontroller; (2) Advanced RISC Architecture; (3) High Endurance Non-volatile Memory segments; (4) Power-on Reset and Progrmmable Brown-out Detection; (5) CFive Sleep Modes: Idle, ADC Noise Reduction, Power-save, Power-down, and Standby; (6) Operating Voltage: C1.8 - 5.5V for ATmega48V/88V/168; (7) Low Power Consumption.
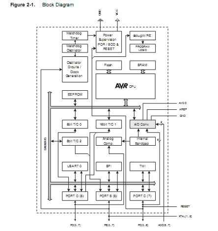
Diagrams

| Image | Part No | Mfg | Description | ![]() |
Pricing (USD) |
Quantity | ||||||||||||
|---|---|---|---|---|---|---|---|---|---|---|---|---|---|---|---|---|---|---|
![]() |
![]() ATMEGA64A-AN |
![]() Atmel |
![]() 8-bit Microcontrollers (MCU) 16MHz 105C |
![]() Data Sheet |
![]()
|
|
||||||||||||
![]() |
![]() ATMEGA64A-ANR |
![]() Atmel |
![]() 8-bit Microcontrollers (MCU) 16MHz 105C |
![]() Data Sheet |
![]()
|
|
||||||||||||
![]() |
![]() ATMEGA64A-AU |
![]() Atmel |
![]() 8-bit Microcontrollers (MCU) 64K Flsh 2K EEPROM 4K SRAM 16MHz |
![]() Data Sheet |
![]()
|
|
||||||||||||
![]() |
![]() ATMEGA64A-AUR |
![]() Atmel |
![]() 8-bit Microcontrollers (MCU) AVR 64KB FLSH 2KB EE 4KB SRAM-16MHz IND |
![]() Data Sheet |
![]()
|
|
||||||||||||
(Hong Kong)











