Product Summary
                                                  	The SKKT57 16E is a Thyristor/Diode Module. The applications of the SKKT57 16E are DC motor Control(e.g.for machine tools), AC motor soft starters, Temperture control(e.g.for ovens, chemical process), Professional light dimming(studios, theaters).
                                                  
Parametrics
SKKT57 16E absolute maximum ratings: (1)VRRM: 1600V; (2)VRSM: 1700V; (3)ITAV(sin. 180; Tc=85(100)℃): 50(35)A; (4)IRMS(P3/180F; Ta=35℃;W1/W3): 130/3×100A; (5)ITSM(Tvj=25℃;10 ms): 1500A; (6)i2t(Tvj=25℃;8,3...10 ms): 11000A2s; (7)rT(Tvj=125℃): 3.5mΩ; (8)tgd(Tvj=25℃;IG=1A;dIG/dt=1A/μs): 1μs; (9)Tvj: -40℃ to +125℃; (10)Tstg: -40℃ to +125℃.
Features
SKKT57 16E features: (1)Heat transfer through aluminium oxide ceramic isolated metal baseplate; (2)Hard sodered jounts for high reliability; (3)UL recognized, file no.E 63 532.
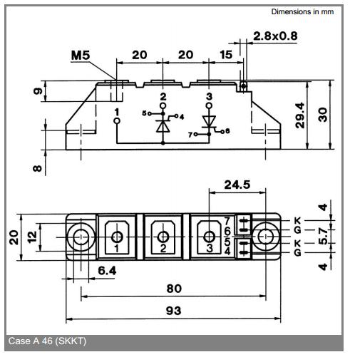
Diagrams

 (Hong Kong)
 (Hong Kong) 
                         
                        
 
                                    




