Product Summary
The SKKT132 12E is a Thyristor/Diode Module. The applications of the SKKT132 12E are DC motor Control(e.g.for machine tools), AC motor soft starters, Temperture control(e.g.for ovens, chemical processes), Professional light dimming(studios, theaters), DC braking of AC motors(SKNH).
Parametrics
SKKT132 12E absolute maximum ratings: (1)VRRM: 1200V; (2)VRSM: 1300V; (3)ITAV(sin. 180; Tc=85(100)℃): 137(96)A; (4)IRMS(P3/180F; Ta=35℃;W1/W3): 240/3×163A; (5)ITSM(Tvj=25℃;10 ms): 4700A; (6)i2t(Tvj=25℃;8,3...10 ms): 110000A2s; (7)rT(Tvj=125℃): 1.6mΩ; (8)tgd(Tvj=25℃;IG=1A;dIG/dt=1A/μs): 1μs; (9)Tvj: -40℃ to +125℃; (10)Tstg: -40℃ to +125℃.
Features
SKKT132 12E features: (1)Heat transfer through aluminium oxide ceramic isolated metal baseplate; (2)Hard sodered jounts for high reliability; (3)UL recognized, file no.E 63 532.
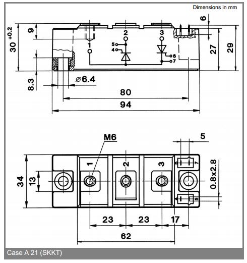
Diagrams

 (Hong Kong)
 (Hong Kong) 
                         
                        
 
                                    




