Product Summary
The SKKD201 16 is a Rectifier Diode Module. The applications of the SKKD201 16 are Non-controllable rectifiers for AC/AC converters, Line rectifiers for transistorized AC motor controllers, Field supply for DC motors and SKKE:Free-wheeling diodes.
Parametrics
SKKD201 16 absolute maximum ratings: (1) IFAV (sin.180; Tc=85℃: 200A; (2)ID (P3/180F; Ta=35℃; B2/B6): 250/295A; (3)IFSM(Tvj=25℃; 10ms): 6000A; (4) i2t(Tvj=25℃;8,3...10 ms): 180000A2s; (5) rT(Tvj=130℃): 0.8mΩ; (6)Tvj: -40℃ to +130℃; (7) Tstg: -40℃ to +130℃.
Features
SKKD201 16 features: (1)Heat transfer through aluminium oxide ceramic isolated metal baseplate; (2)Precious metal pressure, (3)UL recognized, file no. E63 532.
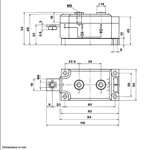
Diagrams

(Hong Kong)






