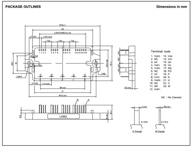
Product Summary
The PM20CNJ060 is a MITSUBISHI INTELLIGENT POWER MODULE. The applications of the PM20CNJ060 are General purpose inverter, servo drives and other motor controlers.
Parametrics
PM20CNJ060 absolute maximum ratings: (1)Collector-Emitter Voltage VCES (VD=15V, VCIN=15V): 600V; (2)Collector Current ±IC (TC=25℃): 20A; (3)Collector Current (Peak) ±ICP (TC=25℃): 40A; (4)Collector Dissipation PC (TC=25℃): 56W; (5)Junction Temperature Tj: -20℃ to +125℃.
Features
PM20CNJ060 features: (1)3 phase IGBT (20A/600V) inverter output; (2)Monolithic gate drive & protection logic circuit; (3)Protection logic: Over circuit (OC), Short circuit (SC), Over temperature (OT), Under voltage lock-out (UV).
Diagrams

| Image | Part No | Mfg | Description | ![]() |
Pricing (USD) |
Quantity | ||||
|---|---|---|---|---|---|---|---|---|---|---|
![]() |
![]() PM20CNJ060 |
![]() Other |
![]() |
![]() Data Sheet |
![]() Negotiable |
|
||||
| Image | Part No | Mfg | Description | ![]() |
Pricing (USD) |
Quantity | ||||
![]() |
![]() PM2001-200 |
![]() Bourns |
![]() EMI Filter Beads, Chokes & Arrays 25% Choke |
![]() Data Sheet |
![]() Negotiable |
|
||||
![]() |
![]() PM2001-200-RC |
![]() |
![]() FERRITE CHIP 20 OHM 25% |
![]() Data Sheet |
![]() Negotiable |
|
||||
![]() |
![]() PM2002-300 |
![]() J.W. Miller |
![]() EMI Filter Beads, Chokes & Arrays 47ohm 25% |
![]() Data Sheet |
![]() Negotiable |
|
||||
![]() |
![]() PM2002-300-RC |
![]() Bourns |
![]() EMI Filter Beads, Chokes & Arrays 47ohms 25% |
![]() Data Sheet |
![]() Negotiable |
|
||||
![]() |
![]() PM2002DP |
![]() Other |
![]() |
![]() Data Sheet |
![]() Negotiable |
|
||||
![]() |
![]() PM2003-300 |
![]() J.W. Miller |
![]() EMI Filter Beads, Chokes & Arrays 25% Choke |
![]() Data Sheet |
![]() Negotiable |
|
||||
(Hong Kong)










