Product Summary
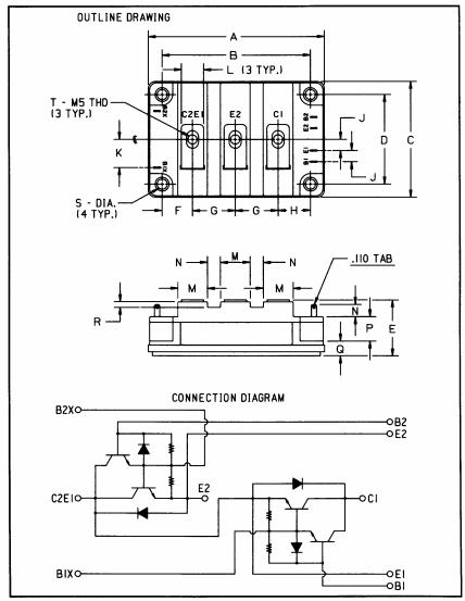
The KD324510 is a Dual Darlington Transistor Module. It is designed for use in switching applications. The module is isolated, consisting of two Darlington Transistors with each transistor having a reverse parallel connected high-speed diode. The applications of the KD324510 are AC Motor Control, DC Motor Control, Switching Power Supplies, Inverters.
Parametrics
KD324510 absolute maximum ratings: (1)Junction temperature Tj: -40℃ to +150℃; (2)Storage temperature TSTG: -40℃ to +125℃; (3)Collector-Emitter Sustaining Voltage,VBE=-2V VCEV: 600V; (4)Collector-Base Voltage VCBO: 600V; (5)Emitter-Base Voltage VEBO: 7V; (6)Continuous Collector Current IC: 100A; (7)Diode Forward Current IFM: 100A; (8)Continuous Base Current IB: 6A; (9)Diode Surge Current IFSM: 1000A; (10)Power dissipation Pt: 620W; (11)Module Weight(Typical): 420g.
Features
KD324510 features: (1)Isolated Mounting; (2)Planar Chips; (3)Discrete Fast Recovery Feedback Diode; (4)High Gain(hFE); (5)Quick Connect Base-Emitter Signal Terminals; (6) Base-Emitter Speed-up Diodes.
Diagrams

(Hong Kong)






