Product Summary
The FI1236MK2/HM/F is a Desktop video tuner. It is designed to meet a wide range of RF applications in the PC Multi-Media environment. The FI1236MK2/HM/F is available with a single 75 Ω input for TV reception. The input connector is available in either standard phono (female socket) or F (female socket). The tuning and bandswitching are performed through the built-in digitally controlled I2C-bus. All front-ends meet the FCC and DOC radiation requirements.
Parametrics
FI1236MK2/HM/F absolute maximum ratings: (1)VS supply voltage: 4.75V to 5.25V; (2)VS(ripple) peak-to-peak ripple voltage susceptibility(at 5V ±5%): 20mV; (3)IS supply current: 120 mA; (4)VSCL SCL bus input voltage: -0.3V to +5.25V; (5)VSDA SDA bus input voltage: -0.3V to +5.25V; (6)ISDA SDA bus current (open collector): -1mA to +5 mA; (7)VAS address select voltage; note 2: +5.25V; (8)ZIF 2ndIF sound output load impedance: 0.5KΩ; (9)tL load time constant: 100 ns; (10)VIF IF supply voltage: 4.75V to 5.25V.
Features
FI1236MK2/HM/F features: (1)System RTMA M and N; (2)True 5 V device (low power dissipation); (3)Full frequency range from channel 2 (55.25 MHz) to channel 69 (801.25 MHz); (4)PLL controlled tuning; (5)True-synchronous vision IF demodulator (PLL); (6)Demodulated video output, AF sound output, second sound IF output; (7)I2C-bus control of tuning, address selection, AFC status information; (8)Complies with FCC and DOC regulations on radiation; (9)Small horizontally mounted metal housing.
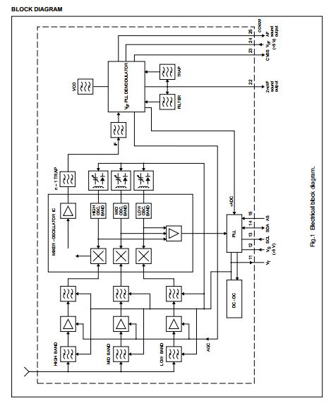
Diagrams

(Hong Kong)








