Product Summary
FF150R12KE3 is an IGBT-Module.
Parametrics
FF150R12KE3 absolute maximum ratings: (1)Collector-emitter Voltage(Tvj=25℃): 1200V ; (2)DC-collector current: Tc=80℃, Ic nom=120A; Tc=25℃, Ic nom=225A; (3)Repetitive Reak Current(tp=1ms): 300A; (4)Total Power Dissipation(Tc=25℃): 780W ; (5)Gate-emitter Peak Voltage: +/-20V; (6)DC Forward Current: 150A.
Features
FF150R12KE3 features: (1)Collector-emitter saturation voltage(IC=400A, VGE=15V, Tvj=25℃): 1.70-2.15V; (2)Gate threshold voltage(IC=6.0mA, VCE=VGE, Tvj=25℃): 5.0-6.5V; (3)Gate charge(VGE=-15V...+15V): 1.40μC; (4)Input capacitance(f=1MHz, Tvj=25°C, VCE=25V, VGE=0V): 10.8nF; (5)Collector-emitter cut-off current(VCE=1200 V, VGE=0V, Tvj=25°C): 5.0 mA.
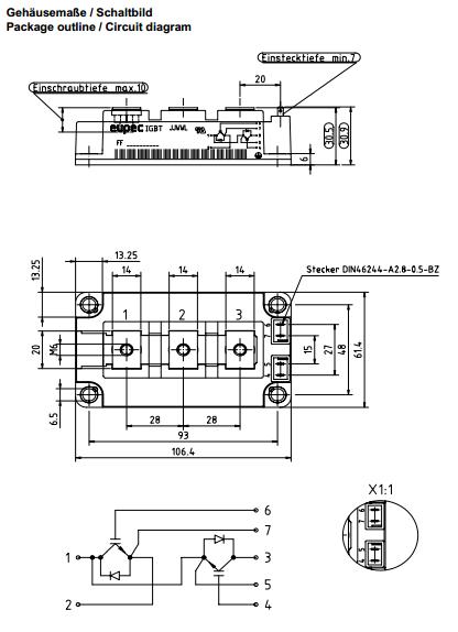
Diagrams

| Image | Part No | Mfg | Description |  | Pricing (USD) | Quantity | ||||||||
|---|---|---|---|---|---|---|---|---|---|---|---|---|---|---|
|  |  FF150R12KE3_B8 |  Infineon Technologies |  IGBT Modules IGBT 1200V 150A |  Data Sheet |  
 |  | ||||||||
|  |  FF150R12KE3G |  Infineon Technologies |  IGBT Modules 1200V 150A DUAL |  Data Sheet |  
 |  | ||||||||
|  |  FF150R12KE3G_B2 |  Infineon Technologies |  IGBT Modules N-CH 1.2KV 225A |  Data Sheet |  
 |  | ||||||||
 (Hong Kong)
 (Hong Kong) 
                         
                        
 
                                    




