Product Summary
The CM300HA-24H is a MITSUBISHI IGBT MODULE. It is designed for use in switching applications. Each module consists of one IGBT in a single configuration with a reverseconnected super-fast recovery free-wheel diode. All components and interconnects are isolated from the heat sinking baseplate, offering simplified system assembly and thermal management. The applications of the CM300HA-24H are AC motor control, Motion/Servo Control, UPS, Welding Power Supplies.
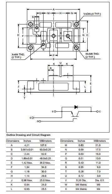
Parametrics
CM300HA-24H absolute maximum ratings: (1)Collector-emitter voltage VCES: 1200V; (2)Gate-emitter voltage VGES: ±20V; (3)Collector Current IC(TC = 25℃): 300A; (4)Emitter Current IE: 300A; (5)Maximum collector dissipation PC: 2100W; (6)Junction temperature Tj: -40℃ to +150℃; (7)Storage temperature TSTG: -40℃ to +125℃; (8)Isolation voltage Viso: 2500V; (9)Weight: 400g.
Features
CM300HA-24H features: CM100DU-24H features: (1)Low Drive Power; (2)Low VCE(sat); (3)Discrete Super-Fast Recovery Free-Wheel Diode; (4)High Frequency Operation; (5)Isolated Baseplate for Easy Heat Sinking.
Diagrams

| Image | Part No | Mfg | Description | ![]() |
Pricing (USD) |
Quantity | ||||||
|---|---|---|---|---|---|---|---|---|---|---|---|---|
![]() |
![]() CM300HA-24H |
![]() |
![]() IGBT MOD SGL 1200V 300A H SER |
![]() Data Sheet |
![]() Negotiable |
|
||||||
| Image | Part No | Mfg | Description | ![]() |
Pricing (USD) |
Quantity | ||||||
![]() |
![]() CM3002 |
![]() Other |
![]() |
![]() Data Sheet |
![]() Negotiable |
|
||||||
![]() |
![]() CM300DU-12F |
![]() |
![]() IGBT MOD DUAL 600V 300A F SER |
![]() Data Sheet |
![]()
|
|
||||||
![]() |
![]() CM300DU-12H |
![]() |
![]() IGBT MOD DUAL 600V 300A U SER |
![]() Data Sheet |
![]()
|
|
||||||
![]() |
![]() CM300DU-12NFH |
![]() |
![]() IGBT MOD DUAL 600V 300A NFH SER |
![]() Data Sheet |
![]()
|
|
||||||
![]() |
![]() CM300DU-24F |
![]() |
![]() IGBT MOD DUAL 1200V 300A F SER |
![]() Data Sheet |
![]()
|
|
||||||
![]() |
![]() CM300DU-24H |
![]() |
![]() IGBT MOD DUAL 1200V 300A U SER |
![]() Data Sheet |
![]()
|
|
||||||
(Hong Kong)









