Product Summary
The 7MBP150KA060 is a Fuji IGBT-IPM Module.
Parametrics
7MBP150KA060 absolute maximum ratings: (1)DC bus voltage VDC: 0V to 450V; (2)DC bus voltage (surge) VDC(surge): 0V to 500V; (3)DC bus voltage (short operating) VSC: 200V to 400V; (4)Collector-Emitter voltage VCES: 0V to 600V; (5)DB Reverse voltage VR: 600V; (6)Collector current IC: 150A; (7)Collector power dissipation PC: 595W; (8)Junction temperature: 150℃; (9)Input voltage of power supply for Pre-Driver VCC: 20V.
Features
7MBP150KA060 features: (1)Temperature protection provided by directly detecting the junction temperature of the IGBTs; (2)Low power loss and soft switching; (3)Compatible with existing IPM-N series packages; (4)High performance and high reliability IGBT with overheating protection; (5)Higher reliability because of a big decrease in number of parts in; (6)built-in control circuit.
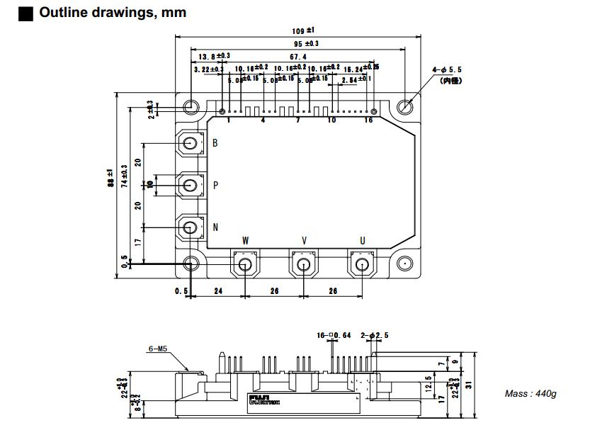
Diagrams

(Hong Kong)






