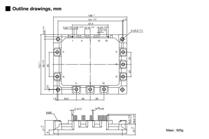
Product Summary
The 6MBP300KA-060 is a Fuji IGBT-IPM Module.
Parametrics
6MBP300KA-060 absolute maximum ratings: (1)DC bus Voltage VDC: 0V to 450V; (2)DC bus Voltage(surge) VDC(surge): 0V to 500V; (3)DC bus voltage (short operating) VSC: 200V to 400V; (4)Collector-Emitter Voltage VCES: 0V to 600V; (5)collector current IC: 300A; (6)collector Power Dissipation Pc: 1040W; (7)Junction temperature Tj: 150℃; (8)Input signal current: 1mA; (9)Storage temperature TSTG: -40℃ to +125℃.
Features
6MBP300KA-060 features: (1)Temperature protection provided by directly detecting the junction temperature of the IGBTs; (2)Low power loss and soft switching; (3)High performance and high reliability IGBT with overheating protection; (4)Higher reliability because of a big decrease in number of parts in built-in control circuit.
Diagrams

(Hong Kong)






