Product Summary
The 2MBI300TE-060 is a Fuji IGBT Module.
Parametrics
2MBI300TE-060 absolute maximum ratings: (1)Collector-Emitter Voltage VCES: 600V; (2)Gate-Emitter Voltage VGES: ±20V; (3)collector current IC: 300A;(4) collector current ICP (1ms): 600A; (5)Collector Power Dissipation Pc: 860W ; (6)Operating ambient temperature Tj: +150℃; (7)Storage temperature TSTG: -40℃ to +125℃; (8) Isolation Voltage(AC.1min) Visol: 2500V.
Features
2MBI300TE-060 features: (1)Zero gate voltage collector current ICES: 2.0 mA max. (Tj=25℃, VGE=0V, VCE=600V); (2)Gate-emitter leakage current IGES: 400 nA max. (VGE=0V, VCE=±20V); (3)Gate-emitter threshold voltage VGE(th): 6.7V(VGE=20V, IC=300 mA); (4)Gate-emitter saturation voltage VCE(sat): 1.85V (VGE=15V, IC=300A).
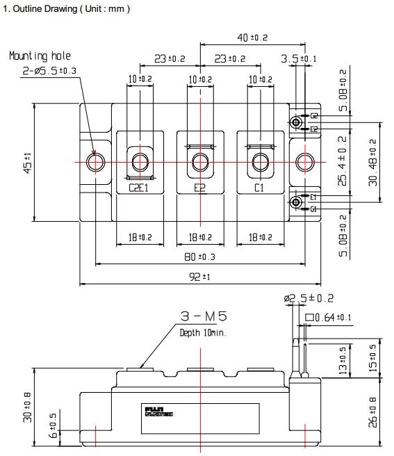
Diagrams

(Hong Kong)






