Product Summary
The FS0H474ZF is a super capacitor.
Parametrics
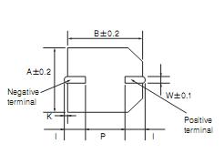
FS0H474ZF maximum ratings: (1) MAX operating voltage (Vdc): 5.5V; (2) Rated Voltage (Vdc) : 5V; (3) Charge system (F) : 0.47F; (4) Discharge system (F) : 0.75F; (5) Max ESR (at 1kHz): 3.5Ω ; (6) MAX current at 30 min. : 0.71mA.
Diagrams

(Hong Kong)






