Product Summary
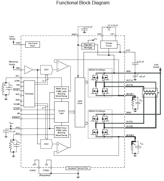
The A3979SLPT is a complete microstepping motor driver with built-in translator, designed as a pin-compatible replacement for the successful A3977, with enhanced microstepping (1/16 step) precision. It is designed to operate bipolar stepper motors in full-, half-, quarter-, and sixteenthstep modes, with an output drive capacity of up to 35 V and ±2.5 A. The A3979SLPT includes a fixed off-time current regulator that has the ability to operate in Slow, Fast, or Mixed decay modes. This current-decay control scheme results in reduced audible motor noise, increased step accuracy, and reduced power dissipation. The translator is the key to the easy implementation of the A3979SLPT. It allows the simple input of one pulse on the STEP pin to drive the motor one microstep, which can be either a full step, half, quarter, or sixteenth, depending on the setting of the MS1 and MS2 logic inputs. There are no phase-sequence tables, high-frequency control lines, or complex interfaces to program. The A3979SLPT interface is an ideal fit for applications where a complex microprocessor is unavailable or is overburdened.
Parametrics
Absolute maximum ratings:(1)Load Supply Voltage,VBB: 35 V; (2)Output Current, IOUT: ±2.5 A; (3)Logic Supply Voltage, VDD: 7.0 V; (4)Logic Input Voltage Range, VIN of tW > 30 ns: –0.3V to VDD + 0.3V; (5)Logic Input Voltage Range, VIN of tW < 30 ns: –1V to VDD + 1V; (6)Sense Voltage, VSENSE: 0.5 V; (7)Reference Voltage, VREF: VDD; (8)Operating Temperature Range of Ambient, TA , Range S: –20℃ to 85℃; (9)Junction Temperature, TJ(MAX): 150℃; (10)Storage Temperature, TS: –55℃ to 150℃.
Features
Features: (1)±2.5 A, 35 V output rating; (2)Low RDS(On) outputs: 0.28 Ω source, 0.22 Ω sink, typical; (3)Automatic current decay mode detection/ selection; (4)3.0 to 5.5 V logic supply voltage range; (5)Slow, Fast or Mixed current decay modes; (6)Home output; (7)Synchronous rectification for low power dissipation; (8)Internal UVLO and thermal shutdown circuitry; (9)Crossover-current protection.
Diagrams

| Image | Part No | Mfg | Description | ![]() |
Pricing (USD) |
Quantity | ||||||||||||
|---|---|---|---|---|---|---|---|---|---|---|---|---|---|---|---|---|---|---|
![]() |
![]() A3979SLPTR |
![]() |
![]() IC DRIVER MICROSTEPPING 28-TSSOP |
![]() Data Sheet |
![]() Negotiable |
|
||||||||||||
![]() |
![]() A3979SLPTR-T |
![]() |
![]() IC DRIVER MICROSTEPPING 28-TSSOP |
![]() Data Sheet |
![]()
|
|
||||||||||||
(Hong Kong)









